步步精科技:信號連接器領域的技術創新與發展
深圳市步步精科技有限公司近日喜獲一項發明專利授權,進一步鞏固了其在連接器技術領域的領先地位。本次獲得授權的專利是“信號連接器”,其創新性和實用性為步步精科技在信號傳輸設備的研發和制造中注入了全新動力。這項專利的授權公告號為CN 118589230 B,授權公告日為2024年11月1日。步步精科技以其卓越的技術實力和持續的創新實踐,再一次向行業展示了其強大的研發能力和市場洞察力。
信號連接器的創新設計
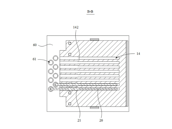
此次專利的信號連接器涉及連接器技術領域,專注于提高產品裝配精度和組裝效率,解決了傳統連接器在組裝時絕緣件與端子配合誤差的問題。信號連接器的設計包括塑膠外殼、端子和后塞三部分。其獨特的結構創新體現在以下幾個方面:
|
|
精準的插接通道設計:塑膠外殼內部設計有插接通道,確保端子可以穩定地穿過插接通道并插入連接腔內。前后端口的設置使端子更穩定地嵌入,同時大大降低了端子與絕緣件配合的誤差。
高效的端子設計:端子的結構經過特殊設計,能夠在連接腔內保持彈性形變,顯著提升了端子與塑膠外殼的裝配精度和效率。這種設計進一步消除了因傳統連接器結構帶來的安裝誤差,保障了信號的高質量傳輸。
|
|
穩固的后塞固定:后塞通過后端口插接連接腔并對端子進行壓接,實現了高穩定性。該設計不僅提高了產品裝配效率,還有效提升了產品的組裝良率。
步步精科技的研發實力
步步精科技自成立以來,始終將技術研發作為公司的核心驅動力。公司目前已獲得132項技術專利,并且還有20多項專利正在測試中,這些技術成就不僅展現了公司在技術創新方面的不斷追求,也證明了公司在研發團隊建設和市場洞察力方面的卓越能力。信號連接器的此次創新和專利認證,無疑是步步精科技在研發投入和技術探索方面的重要成果。
|
|
在信號連接器領域的不斷探索中,步步精科技憑借精準的市場定位和專業的技術團隊,研發出了一系列技術先進、市場需求旺盛的連接器產品,深受客戶認可。步步精科技在研發中始終追求產品的創新性、可靠性和高效性,并將這些核心理念融入到每一項新產品的開發過程中。
|
|
創新驅動未來,推動行業進步
步步精科技清楚地認識到,技術創新是企業發展的生命線。在未來的發展中,公司將繼續加大研發投入,深耕連接器技術領域,并不斷推出滿足市場需求的創新產品。展望未來,步步精科技不僅將繼續在信號連接器領域發力,還計劃在防水連接器及其他相關領域推出更多突破性的產品,進一步推動行業的技術進步和標準提升。
此外,步步精科技始終關注行業趨勢和客戶需求變化,致力于為客戶提供高品質的產品和服務。公司將憑借“誠信為本,品質為先”的服務宗旨,以更加完善的管理體系和專業的研發團隊,進一步擴大市場影響力,為客戶帶來更優質的解決方案。此次獲得信號連接器的發明專利,為步步精科技在技術發展道路上注入了新的活力和信心。
|
|
結語
信號連接器發明專利的獲得不僅是對步步精科技研發實力的認可,更為公司在市場中的競爭力提供了重要支撐。隨著技術的不斷成熟與市場需求的持續增長,步步精科技將秉持創新精神,不斷優化產品性能,以推動連接器行業技術的發展和應用的多元化。未來,步步精科技必將譜寫更加輝煌的篇章,為推動科技進步和社會發展貢獻自身力量。













